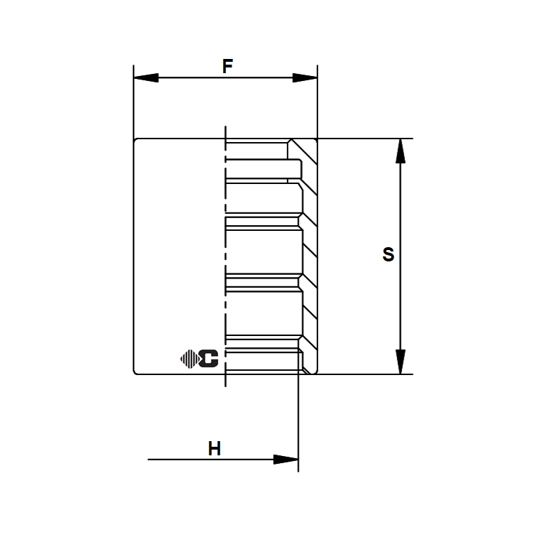
Jupe pour tuyau 2W-2WSR

REF: S RWS - SANS DENUDAGE


Jupe pour tuyau 2W-2WSR

Matière: acier
Montage: SANS dénudage.
Tuyau: 2W et 2WSR

Télécharger la fiche produit au format PDF
* Données sous reserve de modification

Recherche

Commencez à taper pour voir les résultats...