Jupe KUTTING pour tuyau R7-R8-1W

REF: S R7K - S R7M - SANS DENUDAGE


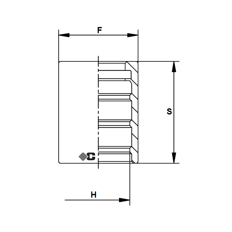
Jupe KUTTING pour tuyau R7-R8-1W

Matière: acier
Montage: sans dénudage.
Tuyau: R7K - R8K - R8JK - R7JK - 1WK - 1WJK avec jupe S R7 et R7K
 - R7M avec jupe S R7M

Télécharger la fiche produit au format PDF
* Données sous reserve de modification

Recherche

Commencez à taper pour voir les résultats...