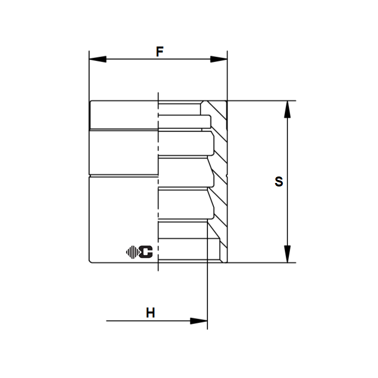
Jupe à sertir pour tuyau R2AT (avec dénudage)

REF: S RA2 - AVEC DENUDAGE EXT


Jupe à sertir pour tuyau R2AT (avec dénudage)

Matière: acier
Montage: avec dénudage extérieur.
Tuyau: R2AT

Télécharger la fiche produit au format PDF
* Données sous reserve de modification

Recherche

Commencez à taper pour voir les résultats...