Jupe R2AT-R2A-4SP INOX

S R4N - avec dénudage extérieur INOX


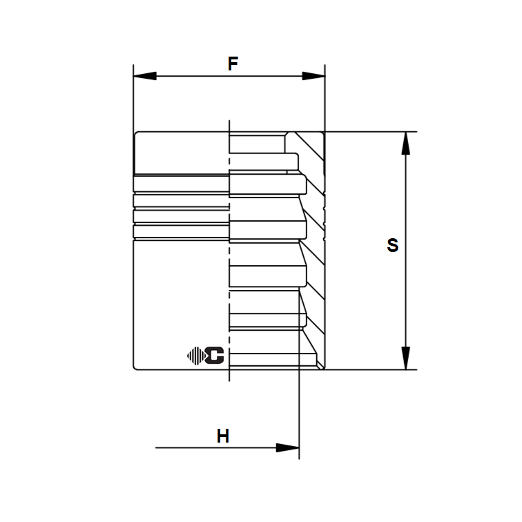
Jupe R2AT-R2A-4SP INOX

Matière: inox AISI 316-L
Montage: avec dénudage extérieur
Tuyau: 4SP-R2T-3SP

Télécharger la fiche produit au format PDF
* Données sous reserve de modification

Recherche

Commencez à taper pour voir les résultats...