Bride droite pour pompe type Europe

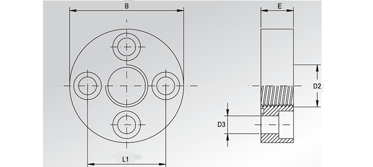
BRIDE DROITE POUR POMPE TYPE EUROPE
MATIERE : ACIER
FILETAGE : TARAUDE GAZ
( LIVRE AVEC VISSERIE )
* Données sous reserve de modification

BRIDE DROITE POUR POMPE TYPE EUROPE
MATIERE : ACIER
FILETAGE : TARAUDE GAZ
( LIVRE AVEC VISSERIE )