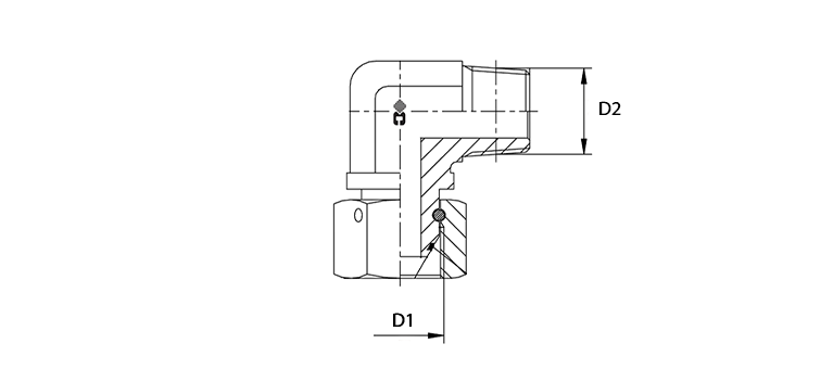
Coude 90° femelle BSP x male GAZ conique

COUDE 90° FEMELLE BSP X MALE GAZ CONIQUE


Coude 90° femelle BSP x male GAZ conique

MATIERE : ACIER
NORME : BSPP CONE 60°
TYPE : 3062 

Télécharger la fiche produit au format PDF
* Données sous reserve de modification

Recherche

Commencez à taper pour voir les résultats...