Contre-bride SAE SW

Contre-bride SAE SW


Contre-bride SAE SW

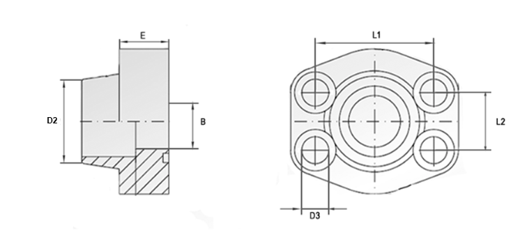
CONTRE - BRIDE SAE SW
MATIERE : ACIER
TYPE : 3000/6000 PSI

Télécharger la fiche produit au format PDF
* Données sous reserve de modification

Recherche

Commencez à taper pour voir les résultats...